
Nachdem ich meinem E-Scooter Blinker verpasst hatte, wollte ich auch noch ein Bremslicht realisieren.
Auch das ist in der Elektrokleinstfahrzeuge-Verordnung - eKFV - geregelt und zugelassen.
Zitat aus der eKFV:
§ 5 “Anforderungen an die lichttechnischen Einrichtungen”
(1) Ein Elektrokleinstfahrzeug muss mit lichttechnischen Einrichtungen
ausgerüstet sein,
...
Schlussleuchten dürfen zusätzlich mit einer Bremslichtfunktion für rotes Licht mit einer Lichtstärke und Lichtverteilung der Bremslichtfunktion entsprechend der Regelung
...
für die
Genehmigung von Begrenzungsleuchten, Schlussleuchten, Bremsleuchten, Fahrtrichtungsanzeigern und Beleuchtungseinrichtungen für das hintere Kennzeichenschild für Fahrzeuge der Klasse L (ABl. L 97 vom 29.3.2014, S. 1)
ausgerüstet sein.
Eine Analyse der Leitungen zwischen Lenker im weiteren Sinne und der Elektronik im Unterteil des Rollers ergab, dass irgendwo im Lenkerrohr eine Zusammenführung von den zwei Bremssignalleitungen und der 5-poligen Leitung vom Display passieren muss, denn am unteren Ende kommt nur ein 10-poliger Stecker an, der die Verbindung zum Controller, der Elektronik für die Ansteuerung des Motors, realisiert.
Handelsüblich sind solche Multi-Signalleitungen im Netz bei den üblichen Verdächtigen (ebay, Aliexpress, ...), allerdings nur bis 9-polig am unteren Ende, und diese Leitungen führen dann neben den Signalen vom Display noch die Bremsinformation zum Controller und in die andere Richtung die Spannung für das Frontlicht. Die Leitung im E-Scooter von L.A. Sports ist also offenbar ein Sonderstrick. Bliebe anzumerken, dass eine der 10 vorhandenen Leitungen im Kabel ungenutzt ist...
10-polige Stecker oder Buchsen im passenden Formfaktor habe ich nicht gefunden, ich musste also das vorhandene Kabel auftrennen, um an die gewünschten Signale der Bremskontakte zu kommen. Die Signale der beiden Schalter an den Bremshebeln werden auf getrennten Leitungen zum Controller geführt, hier wäre ich für das geplante Bremslicht also schon am Ziel. Da ich die Verbindung zwischen Display und Controller jetzt aber ohnehin komplett im Zugriff hatte, habe ich auch gleich das Protokoll zwischen Display und Controller analysiert.
Aber der Reihe nach.
Das Frontlicht könnte prinzipiell einfach nur weiterhin direkt am Controller angeschlossen bleiben, wäre dann immer eingeschaltet, wie gehabt. Nur das Rücklicht
verdient Beachtung, denn hier soll ja das Dauerlicht etwas gedimmt werden, damit der Bremsvorgang mit hellerem Licht signalisiert werden kann.
Die Weicheilösung mit Vorwiderstand funktioniert allerdings nicht, denn es stellt sich heraus, dass das Rücklicht in einem Spannungsbereich zwischen 5 V und 40 V immer gleich hell leuchtet.
Korrektur
Nachdem ich die Halterung des Rücklichts im Schutzblech aufgewertet hatte, ist
diesmal “nur” die hintere Abdeckung des Rücklichts weggeflogen, als ich einen
kleinen Deckel in der Straße überfahren habe. So konnte ich nach dem Aufsammeln der Teile auf der Platine lesen, dass der Spannungsbereich sogar bis 58 V reicht. Respekt.
Der nächst kompliziertere Weg ist die Beaufschlagung der Versorgung des Rücklichts mit einer getakteten Spannung, deren Mittelwert mittels PWM (Pulsweitenmodulation) abgesenkt werden kann. Hier bietet sich dann wieder der Einsatz eines Microcontrollers an. Die Stromregelung im Rücklicht lässt sich tatsächlich erst mit einer PWM Einstellung von 1, also eine Stufe über AUS, überlisten und zu einer geringeren Helligkeit überreden.
Soweit in Theorie und Praxis voran gekommen, bietet der Einsatz eines µC natürlich weiteres Betätigungspotential. Durch Auswertung der per Telegramm an den Controller übermittelten Werte können verschiedene Parameter des Display ausgelesen werden, unter anderem die Stellung des Daumengashebels.
Das habe ich dazu verwendet, das Licht am Roller durch etwas Hebelakrobatik (Bremse anziehen und dann zweimal kurz Gas geben) ein- und auszuschalten. Die momentane Einstellung (Licht permanent an/aus) wird im EEPROM des µC gespeichert und ist beim nächsten Einschalten identisch.
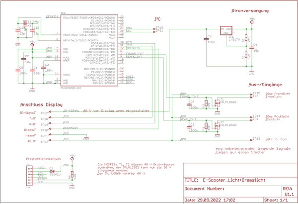
Die Schaltung für die Steuerung des Bremslichts und der allgemeinen Lichtfunktion ist weniger übersichtlich als ursprünglich angenommen, geschuldet der aufwändigen seriellen Verbindung zum Display. Der verwendete Microcontroller ist überdimensioniert, ein AtMega8 hätte es ebenfalls getan, der Programmcode belegt nur etwas über 3 kB im Flash des µC.
Die Schaltung präsentiert sich so:
(Click auf das Bild für größere Darstellung)
Und hier die passende Platine:

Die Platine ist zweiseitig entflochten, die Unterseite dient der Spannungsversorgung per Massefläche und es gibt zwei Signalzüge für +5V. Alle sonstigen Verbindungen sind auf der Oberseite entflochten.
Die Unterlagen der Schaltung im Eagle V7 Format stelle ich zur Verfügung, genauso die Unterlagen für ein passendes Gehäuse aus TPU, damit die Schaltung im Elektronikraum des Rollers keine Kurzschlüsse erzeugt.

Der Deckel rastet auf dem Unterteil ein.


Die beiden zusätzlichen Leitungen links des Programmieranschlusses sind die Spannungsversorgung für die Blinkerschaltung, deren Ausschnitte am Gehäuse hatte ich vergessen und dann nachträglich mit einem Skalpell erzeugt. Elektrisch werden sie an die beiden Anschlusspunkte GND und 40 V auf der Platine angelötet.
Das Gehäuse passt zwischen Controller und die Oberseite des Trittbretts, die Schrauben zur Befestigung des Lenksäulenfußes sorgen für genügend Abstand.
Die zugehörige Firmware stelle ich ebenfalls zur Verfügung.